网站首页
协会简介
事务公开
新闻动态
通知公告
成绩查询
证书查询
下载中心
法律法规
联系我们
机构展示
会员投稿
手机版
| 通知公告频道
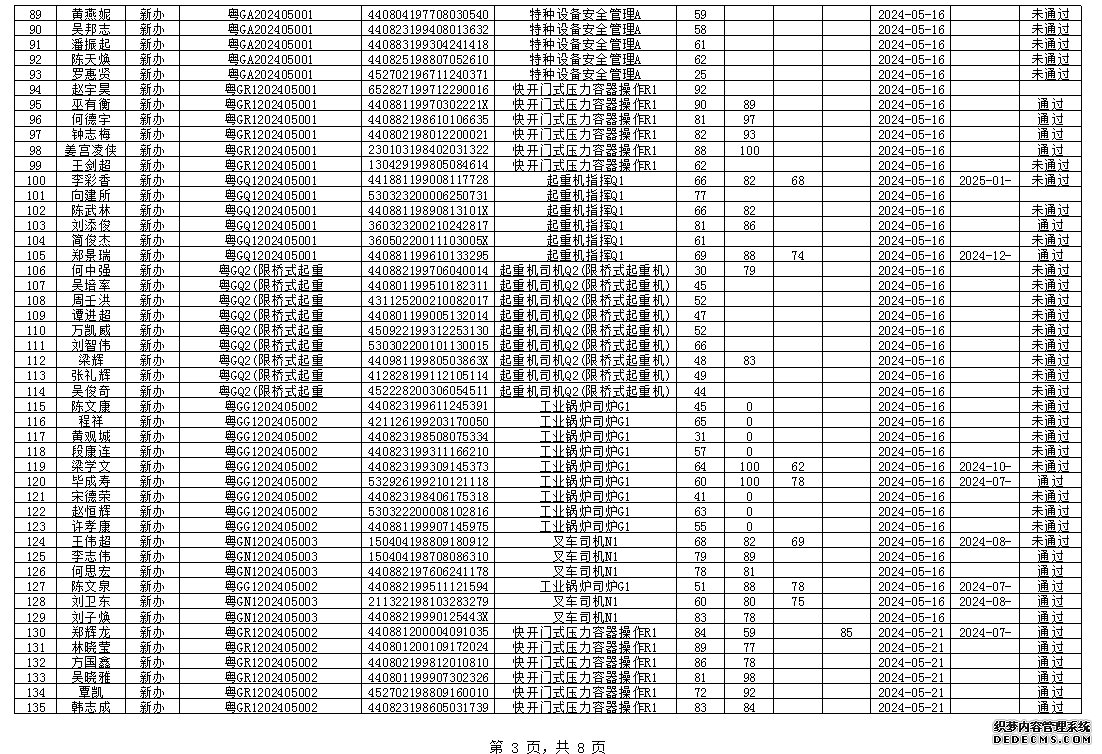
2024年5月特种设备作业人员考试成绩
来源:未知 作者:zjqst 人气: 发布时间:2024-06-01
责任编辑:zjqst
上一篇:
2024年4月特种设备作业人员考试成绩
下一篇:
2024年6月特种设备作业人员考试成绩
栏目精选
最新动态
2026年1月22日桥式起重机实操考试通知
2026-01-19
2026年1月21日起重指挥实操考试通知
2026-01-19
2026年1月20日起重指挥实操考试通知
2026-01-15
2026年1月19日气瓶充装实操考试通知
2026-01-14
2026年1月16日工业锅炉实操考试通知
2026-01-12
2025年12月31日起重指挥实操考试通知
2025-12-26
2025年12月30日起重指挥实操考试通知
2025-12-26
2025年12月29日起重指挥实操考试通知
2025-12-26
2025年12月31日锅炉水处理实操考试通知
2025-12-26
湛江市质量技术安全协会响应2024年湛江市“电
2024-09-09
最高检:特种设备人员考试团伙作弊案告破!5
2024-08-14
湛江市首期特种设备使用单位主要负责人、 安
2024-05-07
湛江市质量安全技术协会 第七届第一次会员大
2023-07-13
湛江市科学技术协会到协会调研指导工作
2023-07-13
省、市市场监管局到协会调研指导工作
2023-07-13
湛江市质安协会严格落实考试防疫要求 助力企
2023-07-13
复工复产期间市民千万不能松懈
2020-03-05
复工复产期间请做到
2020-03-05
Ctrl+D
将本页面保存为书签,全面了解最新资讯,方便快捷。